ООО «ЭКО-РТИ-Холдинг» предлагает в Москве Подшипники роликовые радиальные с короткими цилиндрическими роликами по антикризисным ценам. Доставка по России, качественные товары. Звоните: (49654) 9-25-25
| Подшипники роликовые радиальные с короткими цилиндрическими роликами предназначены для восприятия значительных радиальных нагрузок, и только некоторые модификации дополнительно воспринимают кратковременные небольшие осевые нагрузки. По быстроходности эти подшипники несколько уступают шариковым радиальным однорядным подшипникам. |

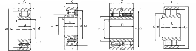
Подшипники роликовые радиальные бывают однорядные, двухрядные, или многорядные.
Основные конструктивные разновидности однорядных роликовых подшипников:
- 2205 – подшипник с наружным кольцом без бортов;
- 12205 – подшипник с наружным кольцом без одного борта;
- 32205 – подшипник с внутренним кольцом без бортов;
- 42205 – подшипник с внутренним кольцом без одного борта;
- 92205 – с однобортовым внутренним кольцом и фасонным упорным кольцом.
Цилиндрические роликовые подшипники могут иметь усиленное исполнение. Они отличаются конструкцией роликов, обеспечивающей максимальные показатели грузоподъемности.
В стандартном исполнении цилиндрические однорядные роликовые подшипники имеют радиальный зазор. Радиальный зазор подшипников с маркировкой С3 больше нормального, С4 – больше, чем зазор подшипников С3.
Благодаря линейному контакту между роликами и дорожками качения обеспечивается самоустановка. Такая конструкция роликоподшипников препятствует образованию кромочного напряжения.
Для облегчения монтажа и демонтажа однорядные цилиндрические роликовые подшипники выпускаются разъемными, кольца устанавливаются с натягом.
Роликовые радиальные подшипники выпускаются со штампованным, массивным и пластмассовым сепаратором, а так же без сепаратора. Штампованные сепараторы изготавливаются из низкоуглеродистой стали, массивные – из латуни или алюминиевых сплавов, пластмассовые – из полиамида.
Наименование | d, мм | D, мм | h, мм | m, кг |
РОЛИКОВЫЕ ОДНОРЯДНЫЕ ПОДШИПНИКИ СЕРИИ 1023ХХ | ||||
102304М [—–] | 20 | 52 | 15 | 0.168 |
102307 [—–] | 35 | 80 | 21 | 0.51 |
102315М [—–] | 75 | 160 | 37 | 3.5 |
РОЛИКОВЫЕ ОДНОРЯДНЫЕ ПОДШИПНИКИ СЕРИИ 1024ХХ | ||||
102407 [—–] | 35 | 100 | 25 | 1.11 |
102409М [—–] | 45 | 120 | 29 | 1.77 |
РОЛИКОВЫЕ ОДНОРЯДНЫЕ ПОДШИПНИКИ СЕРИИ 10327ХХ | ||||
1032752 [—–] | 260 | 440 | 82 | 50.6 |
РОЛИКОВЫЕ ОДНОРЯДНЫЕ ПОДШИПНИКИ СЕРИИ 121ХХ | ||||
12115КМ [NF1015] | 75 | 115 | 20 | 0.65 |
РОЛИКОВЫЕ ОДНОРЯДНЫЕ ПОДШИПНИКИ СЕРИИ 122ХХ | ||||
12208КМ [NF208] | 40 | 80 | 18 | 0.382 |
12209КМ [NF209] | 45 | 85 | 19 | 0.495 |
12212КМ [NF212] | 60 | 110 | 22 | 0.86 |
12213КМ [NF213] | 65 | 120 | 23 | 1.14 |
12218КМ [NF218] | 90 | 160 | 30 | 2.8 |
РОЛИКОВЫЕ ОДНОРЯДНЫЕ ПОДШИПНИКИ СЕРИИ 123ХХ | ||||
12308КМ [NF308] | 40 | 90 | 23 | 0.767 |
12309КМ [NF309] | 45 | 100 | 25 | 0.888 |
12310КМ [NF310] | 50 | 110 | 27 | 1.16 |
12311КМ [NF311] | 55 | 120 | 29 | 1.44 |
12312КМ [NF312] | 60 | 130 | 31 | 1.85 |
12315КМ [NF315] | 75 | 160 | 37 | 3.42 |
12315КМ(70) [NF315/С3] | 75 | 160 | 37 | 3.42 |
12316 КМ [NF316] | 80 | 170 | 39 | 4.072 |
12318КМ [NF318] | 90 | 190 | 43 | 5.66 |
РОЛИКОВЫЕ ОДНОРЯДНЫЕ ПОДШИПНИКИ СЕРИИ 132ХХХ | ||||
132756ЛМ [—–] | 280 | 440 | 135 | 98.9 |
РОЛИКОВЫЕ ОДНОРЯДНЫЕ ПОДШИПНИКИ СЕРИИ 2002ХХХ | ||||
2002780 [—–] | 400 | 650 | 145 | 193 |
РОЛИКОВЫЕ ОДНОРЯДНЫЕ ПОДШИПНИКИ СЕРИИ 22ХХ | ||||
2206КМ [N206] | 30 | 62 | 16 | 0.215 |
2216КМ [N216] | 80 | 140 | 26 | 1.49 |
2218К2 [N218] | 90 | 160 | 30 | 2.32 |
2220КМ [N220] | 100 | 180 | 34 | 4.022 |
2220Л [N220МВ] | 100 | 180 | 34 | 4.022 |
2222КМ [N222] | 110 | 200 | 38 | 5.29 |
2222Л [N222МВ] | 110 | 200 | 38 | 5.29 |
2224КМ [N224] | 120 | 215 | 40 | 5.81 |
2224КМ(70) [N224/С3] | 120 | 215 | 40 | 5.8 |
2224М [N224] | 120 | 215 | 40 | 6.41 |
2224М(70) [N224/С3] | 120 | 215 | 40 | 6.41 |
2226КМ [N226] | 130 | 230 | 40 | 6.69 |
2226М [N226] | 130 | 230 | 40 | 7.42 |
2228КМ [N228] | 140 | 250 | 42 | 8.64 |
2228КМ(70) [N228/С3] | 140 | 250 | 42 | 8.64 |
2228М [N228] | 140 | 250 | 42 | 8.64 |
РОЛИКОВЫЕ ОДНОРЯДНЫЕ ПОДШИПНИКИ СЕРИИ 23ХХ | ||||
2305КМ [N305] | 25 | 62 | 17 | 0.246 |
2306КМ [N306] | 30 | 72 | 19 | 0.379 |
2307КМ [N307] | 35 | 80 | 21 | 0.478 |
2308КМ [N308] | 40 | 90 | 23 | 0.759 |
2309КМ [N309] | 45 | 100 | 25 | 0.847 |
2310КМ [N310] | 50 | 110 | 27 | 1.11 |
2311КМ [N311] | 55 | 120 | 29 | 1.403 |
2312КМ [N312] | 60 | 130 | 31 | 1.77 |
2313КМ [N313] | 65 | 140 | 33 | 2.4 |
2314КМ [N314] | 70 | 150 | 35 | 2.64 |
2314М [N314] | 70 | 150 | 35 | 2.64 |
2315КМ [N315] | 75 | 160 | 37 | 3.36 |
2315КМ(70) [N315/С3] | 75 | 160 | 37 | 3.36 |
2316КМ [N316] | 80 | 170 | 39 | 3.89 |
2316М [N316] | 80 | 170 | 39 | 4.31 |
2317КМ [N317] | 85 | 180 | 41 | 4.56 |
2317КМ(70) [N317С3] | 85 | 180 | 41 | 4.56 |
2317КМ(76) [N317/C3] | 85 | 180 | 41 | 4.56 |
2317М [N317] | 85 | 180 | 41 | 4.56 |
2318КМ [N318] | 90 | 190 | 43 | 5.53 |
2318М [N318] | 90 | 190 | 43 | 6.1 |
2319КМ [N319] | 95 | 200 | 45 | 7.2 |
2320КМ [N320] | 100 | 215 | 47 | 7.61 |
2320М [N320] | 100 | 215 | 47 | 7.61 |
2322КМ [N322] | 110 | 240 | 50 | 12.2 |
2322М [N322] | 110 | 240 | 50 | 12.2 |
2324КМ [N324] | 120 | 260 | 55 | 15.4 |
2324М [N324] | 120 | 260 | 55 | 15.4 |
2326М [N326] | 130 | 280 | 58 | 18.4 |
2328М [N328] | 140 | 300 | 62 | 21.3 |
РОЛИКОВЫЕ ОДНОРЯДНЫЕ ПОДШИПНИКИ СЕРИИ 24ХХ | ||||
2411КМ [N411] | 55 | 140 | 33 | 2.48 |
РОЛИКОВЫЕ ОДНОРЯДНЫЕ ПОДШИПНИКИ СЕРИИ 25ХХ | ||||
2556М [N2256] | 280 | 500 | 130 | 119 |
РОЛИКОВЫЕ ОДНОРЯДНЫЕ ПОДШИПНИКИ СЕРИИ 292ХХX | ||||
292310КМ [RNU310] | 65 | 110 | 27 | 1.03 |
РОЛИКОВЫЕ ОДНОРЯДНЫЕ ПОДШИПНИКИ СЕРИИ 30042ХХ | ||||
3004244М [—–] | 220 | 400 | 144 | 86.3 |
РОЛИКОВЫЕ ОДНОРЯДНЫЕ ПОДШИПНИКИ СЕРИИ 30047ХХ | ||||
3004752М [—–] | 260 | 440 | 144 | 105.8 |
РОЛИКОВЫЕ ОДНОРЯДНЫЕ ПОДШИПНИКИ СЕРИИ 321ХХ | ||||
32134(70) [NU1034/С3] | 170 | 260 | 42 | 8.62 |
32134М [NU1034] | 170 | 260 | 42 | 8.62 |
РОЛИКОВЫЕ ОДНОРЯДНЫЕ ПОДШИПНИКИ СЕРИИ 322ХХ | ||||
32210КМ [NU210] | 50 | 90 | 20 | 0.577 |
32222М [NU222] | 110 | 200 | 38 | 5.4 |
32222Ш1 [NU222] | 110 | 200 | 38 | 5.4 |
32226М [NU226] | 130 | 230 | 40 | 7.46 |
32228М [NU228] | 140 | 250 | 42 | 9.52 |
32228М(70) [NU228/C3] | 140 | 250 | 42 | 9.52 |
32244М [NU244] | 220 | 400 | 65 | 38.3 |
32244М(70) [NU244/C3] | 220 | 400 | 65 | 38.3 |
РОЛИКОВЫЕ ОДНОРЯДНЫЕ ПОДШИПНИКИ СЕРИИ 323ХХ | ||||
32308КМ [NU308] | 40 | 90 | 23 | 0.66 |
32310КМ [NU310] | 50 | 110 | 27 | 1.31 |
32311КМ [NU311] | 55 | 120 | 29 | 1.66 |
32311КМ(70) [NU311/С3] | 55 | 120 | 29 | 1.66 |
32312КМ [NU312] | 60 | 130 | 31 | 2.1 |
32312М [NU312] | 60 | 130 | 31 | 2.1 |
32313КМ [NU313] | 65 | 140 | 33 | 2.59 |
32314КМ [NU314] | 70 | 150 | 35 | 2.9 |
32314КМ(70) [NU314/С3] | 70 | 150 | 35 | 2 |
32315КМ [NU315] | 75 | 160 | 37 | 3.41 |
32315КМ(70) [NU315/С3] | 75 | 160 | 37 | 3.41 |
32315М [NU315] | 75 | 160 | 37 | 3.78 |
32315М(70) [NU315/С3] | 75 | 160 | 37 | 3.78 |
32316М [NU316] | 80 | 170 | 39 | 4.45 |
32317КМ [NU317] | 85 | 180 | 41 | 5.3 |
32317КМ(70) [NU317/С3] | 85 | 180 | 41 | 5.3 |
32318КМ [NU318] | 90 | 190 | 43 | 5.7 |
32320КМ [NU320] | 100 | 215 | 47 | 8.65 |
32320КМ(70) [NU320/C3] | 100 | 215 | 47 | 8.65 |
32322КМ [NU322] | 110 | 240 | 50 | 12.3 |
32322М [NU322] | 110 | 240 | 50 | 12.3 |
32324КМ [NU324] | 120 | 260 | 55 | 15.09 |
32324М [NU324] | 120 | 260 | 55 | 15.09 |
32326М [NU326] | 130 | 280 | 58 | 18.2 |
32328М [NU328] | 140 | 300 | 62 | 22.4 |
32330М [NU330] | 150 | 320 | 65 | 25 |
32332М [NU332] | 160 | 340 | 68 | 32.3 |
32334М [NU334] | 170 | 360 | 72 | 37.7 |
32336М [NU336] | 180 | 380 | 75 | 44.3 |
РОЛИКОВЫЕ ОДНОРЯДНЫЕ ПОДШИПНИКИ СЕРИИ 324ХХ | ||||
32413М [NU413] | 65 | 160 | 37 | 4.54 |
32413М(30) [NU413/С3] | 65 | 160 | 37 | 4.54 |
32417КМ [NU417] | 85 | 210 | 52 | 9.9 |
32417М [NU417] | 85 | 210 | 52 | 9.9 |
32417М(20) [NU417/С3] | 85 | 210 | 52 | 9.9 |
32417М(70) [NU417/С3] | 85 | 210 | 52 | 9.9 |
32418М [NU418] | 90 | 225 | 54 | 11.8 |
32419М [NU419] | 95 | 240 | 55 | 13.8 |
РОЛИКОВЫЕ ОДНОРЯДНЫЕ ПОДШИПНИКИ СЕРИИ 325ХХ | ||||
32520ЛМ(20) [NU2220/C3] | 100 | 180 | 46 | 5.62 |
32532Л1М(30) [NU2232/C3] | 160 | 290 | 80 | 24.5 |
32544М [NU544] | 220 | 400 | 108 | 61.5 |
РОЛИКОВЫЕ ОДНОРЯДНЫЕ ПОДШИПНИКИ СЕРИИ 326ХХ | ||||
32605КМ [NU2305] | 25 | 62 | 24 | 0.353 |
32605КМ(70) [NU2305/С3] | 25 | 62 | 24 | 0.353 |
32612КМ [NU2312] | 60 | 130 | 46 | 2.86 |
32612КМ(70) [NU2312/С3] | 60 | 130 | 46 | 2.86 |
32615КМ (70) [NU2315С3] | 75 | 160 | 55 | 5.22 |
32615КМ [NU2315] | 75 | 160 | 55 | 5.22 |
32615М [NU2315] | 75 | 160 | 55 | 5.22 |
32616КМ [NU2316] | 80 | 170 | 58 | 6.87 |
32616М [NU2316] | 80 | 170 | 58 | 6.87 |
32619М [NU2319] | 95 | 200 | 67 | 11 |
32634М [NU2334] | 170 | 360 | 120 | 62.43 |
РОЛИКОВЫЕ ОДНОРЯДНЫЕ ПОДШИПНИКИ СЕРИИ 422ХХ | ||||
42205KМ [NJ205] | 25 | 52 | 15 | 0.14 |
42206KМ [NJ206] | 30 | 62 | 16 | 0.24 |
42207KМ [NJ207] | 35 | 72 | 17 | 0.326 |
42208KМ [NJ208] | 40 | 80 | 18 | 0.46 |
42211М (70) [NJ211М/С3] | 55 | 100 | 21 | 0.76 |
42212KМ [NJ212] | 60 | 110 | 22 | 0.9 |
42215КМ [NJ215] | 75 | 130 | 25 | 1.33 |
42217KМ [NJ217] | 85 | 150 | 28 | 2.017 |
42226Л [NJ226] | 130 | 230 | 40 | 7.6 |
42244Л [NJ244] | 220 | 400 | 65 | 39 |
РОЛИКОВЫЕ ОДНОРЯДНЫЕ ПОДШИПНИКИ СЕРИИ 423ХХ | ||||
42308KМ [NJ308] | 40 | 90 | 23 | 0.702 |
42310KМ [NJ310] | 50 | 110 | 27 | 1.34 |
42311КМ [NJ311] | 55 | 120 | 29 | 1.69 |
42314KМ [NJ314] | 70 | 150 | 35 | 2.97 |
42314KМ(70) [NJ314/С3] | 70 | 150 | 35 | 2.97 |
42315КМ [NJ315] | 75 | 160 | 37 | 3.86 |
42315КМ(70) [NJ315/С3] | 75 | 160 | 37 | 3.86 |
42315М (70) [NJ315/С3] | 75 | 160 | 37 | 3.5 |
42315М [NJ315] | 75 | 160 | 37 | 3.86 |
42316М [NJ316] | 80 | 170 | 39 | 4.6 |
42322КМ [NJ322] | 110 | 240 | 50 | 12.5 |
42322ЛМ [NJ322] | 110 | 240 | 50 | 12.5 |
42324М [NJ324] | 120 | 260 | 55 | 15.4 |
42326М [NJ326] | 130 | 280 | 58 | 18.5 |
42328М [NJ328] | 140 | 300 | 62 | 22.8 |
42330М(70) [NJ330/C3] | 150 | 320 | 65 | 27.2 |
РОЛИКОВЫЕ ОДНОРЯДНЫЕ ПОДШИПНИКИ СЕРИИ 424ХХ | ||||
42408Л [NJ408] | 40 | 110 | 27 | 1.42 |
42415KМ [NJ415] | 75 | 190 | 45 | 7.22 |
42415KМ(70) [NJ415/С3] | 75 | 190 | 45 | 7.22 |
42428ЛМ [NJ428] | 140 | 360 | 82 | 48.8 |
РОЛИКОВЫЕ ОДНОРЯДНЫЕ ПОДШИПНИКИ СЕРИИ 426ХХ | ||||
42612KМ(70) [NJ2312/С3] | 60 | 130 | 46 | 2.9 |
42612КМ [NJ2312] | 60 | 130 | 46 | 2.9 |
42612М [NJ2312] | 60 | 130 | 46 | 2.9 |
42613KМ [NJ2313] | 65 | 140 | 48 | 3.69 |
42616KМШ(20) [NJ2316/С3] | 80 | 170 | 58 | 6.5 |
42616КМ [NJ2316] | 80 | 170 | 58 | 6.5 |
42616М [NJ2316] | 80 | 170 | 58 | 7.05 |
42620М [NJ2320] | 100 | 215 | 73 | 14 |
42620М(30) [NJ2320/С3] | 100 | 215 | 73 | 14 |
42626М [NJ2326] | 130 | 280 | 93 | 31.9 |
РОЛИКОВЫЕ ОДНОРЯДНЫЕ ПОДШИПНИКИ СЕРИИ 921ХХ | ||||
92152 [NUP1052] | 260 | 400 | 65 | 31.7 |
РОЛИКОВЫЕ ОДНОРЯДНЫЕ ПОДШИПНИКИ СЕРИИ 923ХХ | ||||
92317М [NUP317] | 85 | 180 | 41 | 5.6 |
РОЛИКОВЫЕ ОДНОРЯДНЫЕ ПОДШИПНИКИ СЕРИИ 924ХХ | ||||
92417М [NUP417] | 85 | 210 | 52 | 10.5 |

