ЭКО-РТИ-Холдинг предлагает в Москве подшипники роликовые конические по цене от 200 руб. Доставка по России, качественные товары. Звоните: (49654) 9-25-25
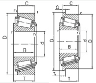
| Подшипники радиально-упорные с коническими роликами предназначены для восприятия одновременно действующих радиальных и осевых нагрузок. Допустимая частота вращения значительно ниже, чем у подшипников с короткими цилиндрическими роликами, а способность к восприятию осевой нагрузки определяется углом конусности наружного кольца. С увеличением угла конусности осевая грузоподъемность возрастает при уменьшении радиальной. Перекос вала относительно оси корпуса недопустим. |
Типы: 7000, 27000, 97000, 77000.
![]() | Однорядные подшипники типов 7000 и 27000 предназначены для восприятия радиальных и односторонних осевых нагрузок. Допускается раздельный монтаж колец, а также регулирование осевой игры и радиального зазора, как при установке, так и в процессе эксплуатации подшипника. Подшипники можно устанавливать с предварительным натягом, который создается при их монтаже в одной опоре. |
![]() | Двухрядные подшипники типа 97000 предназначены для восприятия радиальных и двусторонних осевых нагрузок. Заданный радиальный зазор и осевая игра в подшипнике обеспечиваются подшлифовыванием дистанционного кольца, установленного между внутренними кольцами. Допустимая радиальная нагрузка в 1,7 раза выше, чем радиальная нагрузка у соответствующего однорядного подшипника. Осевая нагрузка подшипников типа 9700 (а = 10-17°) не должна превышать 40% от неиспользованной допустимой радиальной нагрузки. |
![]() | Четырехрядные подшипники типа 77000 предназначены для, восприятия больших радиальных и относительно небольших двусторонних осевых нагрузок. Допускается регулирование радиального зазора и осевой игры между соседними рядами роликов путем шлифования или замены дистанционных колец, установленных между наружными и внутренними кольцами. Допустимая радиальная нагрузка в 3 раза выше, чем у соответствующего однорядного подшипника. Осевая нагрузка не должна превышать 20% неиспользованной допустимой радиальной нагрузки. Применяются в первую очередь в тяжелом машиностроении и прокатном оборудовании, так как способны воспринимать высочайшие нагрузки радиального типа и в меньшей степени двухсторонние осевые. |
Импортные подшипники этого типа относятся к следующим наиболее распространенным сериям: 30200 (например, 30203 — наш аналог 7203), 30300 (30305, аналог 7305), 31300 (31310, аналог 27310), 32000Х (32008Х, аналог 2007108), 32200 (32218, аналог 7518), 32300 (32313, аналог 7613), 32900 (32915, аналог 2007915), 33000 (33010, гипотетический аналог — 3007110), 33100 (33110, гипотетический аналог 3007710), 33200 (33206, гипотетический аналог — 3007206). Под гипотетическими аналогами подразумеваются такие типы, которые нашей промышленностью не выпускаются, но имели бы такой номер. Также есть и изделия менее распространенные, серий T, JK, K и других.
Сепараторы конических подшипников штампованные и точеные.
Допустимые частоты вращения конических роликоподшипников по сравнению с подшипниками, имеющими цилиндические ролики, значительно ниже, они примерно такие же, как у сферических роликоподшипников. Конические роликоподшипники разъемные, что позволяет производить раздельный монтаж и демонтаж наружных и внутренних колец с комплектом роликов.
Особенности эксплуатации радиально-упорных конических подшипников. Допустимые частоты вращения у изделий этой конструкции ниже, чем у цилиндрических роликоподшипников и примерно равны таковым сферических двухрядных.
Допускается раздельный монтаж колец, а также регулирование осевого зазора, причем не только в процессе установки, но и при эксплуатации. Можно устанавливать с предварительным натягом.
Двух и четырехрядные подшипники фиксируют положение вала относительно корпуса в осевом направлении в обе стороны.
Наименование | d, мм | D, мм | h, мм | Вес, кг |
РОЛИКОВЫЕ КОНИЧЕСКИЕ ДВУХРЯДНЫЕ СЕРИИ 10977ХХ | ||||
1097760М [35160] | 300 | 500 | 152 | 142.2 |
1097768М [35168] | 340 | 580 | 170 | 221 |
1097776М [35176] | 380 | 620 | 170 | 240 |
1097784М [35184] | 420 | 700 | 200 | 400 |
РОЛИКОВЫЕ КОНИЧЕСКИЕ ДВУХРЯДНЫЕ СЕРИИ 10979ХХ | ||||
1097976М [35976] | 380 | 520 | 112 | 84.4 |
1097996М [35996] | 480 | 650 | 130 | 151 |
РОЛИКОВЫЕ КОНИЧЕСКИЕ ДВУХРЯДНЫЕ СЕРИИ 20079ХХ | ||||
2007928А [32928] | 140 | 190 | 32 | 2.55 |
2007944 [32944] | 220 | 300 | 51 | 10.14 |
2007960 [32960] | 300 | 420 | 76 | 30.9 |
2007972 [32972] | 360 | 480 | 76 | 35.8 |
РОЛИКОВЫЕ КОНИЧЕСКИЕ ДВУХРЯДНЫЕ СЕРИИ 20771ХХ | ||||
2077144М [328003] | 220 | 340 | 305 | 104 |
РОЛИКОВЫЕ КОНИЧЕСКИЕ ДВУХРЯДНЫЕ СЕРИИ 20971ХХ | ||||
2097144М [—–] | 220 | 340 | 130 | 47 |
2097148М [—–] | 240 | 360 | 130 | 52 |
2097152М [—–] | 260 | 400 | 146 | 75 |
2097156М [—–] | 280 | 420 | 154 | 82 |
РОЛИКОВЫЕ КОНИЧЕСКИЕ ДВУХРЯДНЫЕ СЕРИИ 20977ХХ | ||||
2097724 [—–] | 120 | 200 | 90 | 11 |
2097726 [—–] | 130 | 210 | 90 | 13 |
2097730 [—–] | 150 | 250 | 112 | 25 |
2097732 [—–] | 160 | 270 | 120 | 34 |
2097736 [—–] | 180 | 300 | 134 | 43 |
2097740 [—–] | 200 | 340 | 150 | 61 |
2097748 [—–] | 240 | 400 | 168 | 96 |
2097752 [—–] | 260 | 440 | 180 | 126 |
РОЛИКОВЫЕ КОНИЧЕСКИЕ ДВУХРЯДНЫЕ СЕРИИ 20979ХХ | ||||
2007948 [32948] | 240 | 320 | 51 | 10.9 |
2007952 [32952] | 260 | 360 | 63 | 19.1 |
2097948 [—–] | 240 | 320 | 90 | 22 |
2097952 [—–] | 260 | 360 | 109 | 38 |
2097960 [—–] | 300 | 420 | 128 | 62 |
2097968 [—–] | 340 | 460 | 128 | 71 |
2097972 [—–] | 360 | 480 | 128 | 74 |
РОЛИКОВЫЕ КОНИЧЕСКИЕ ДВУХРЯДНЫЕ СЕРИИ 6979ХХ | ||||
697920Л [—-] | 98 | 152 | 92 | 5.49 |
РОЛИКОВЫЕ КОНИЧЕСКИЕ ДВУХРЯДНЫЕ СЕРИИ 971ХХ | ||||
97168 [—–] | 340 | 520 | 180 | 118 |
97172 [—–] | 360 | 540 | 185 | 127 |
97188 [—–] | 440 | 650 | 212 | 213 |
РОЛИКОВЫЕ КОНИЧЕСКИЕ ДВУХРЯДНЫЕ СЕРИИ 975ХХ | ||||
97516 [—–] | 80 | 140 | 79 | 4.574 |
97520 [—–] | 100 | 180 | 111 | 10.88 |
97524 [—–] | 120 | 215 | 135 | 19.531 |
97526 [—–] | 130 | 230 | 149 | 25.3 |
97530 [—–] | 150 | 270 | 172 | 39.1 |
РОЛИКОВЫЕ КОНИЧЕСКИЕ ДВУХРЯДНЫЕ СЕРИИ 977ХХ | ||||
97741М [—–] | 205 | 320 | 150 | 41 |
97744ЛМ [—–] | 220 | 340 | 99 | 29.3 |
97744М [—–] | 220 | 340 | 99 | 29.3 |
97752М [—–] | 260 | 430 | 179 | 92.3 |
РОЛИКОВЫЕ КОНИЧЕСКИЕ ОДНОРЯДНЫЕ СЕРИИ 10273ХХ | ||||
1027336М [—–] | 180 | 380 | 97 | 46 |
РОЛИКОВЫЕ КОНИЧЕСКИЕ ОДНОРЯДНЫЕ СЕРИИ 1275ХХ | ||||
127509АК [32209В] | 45 | 85 | 24.75 | 0.577 |
РОЛИКОВЫЕ КОНИЧЕСКИЕ ОДНОРЯДНЫЕ СЕРИИ 20071ХХ | ||||
2007104А [32004] | 20 | 42 | 15 | 0.101 |
2007105А [32005] | 25 | 47 | 15 | 0.114 |
2007106А [32006] | 30 | 55 | 17 | 0.172 |
2007107А [32007] | 35 | 62 | 18 | 0.32 |
2007108А [32008] | 40 | 68 | 19 | 0.278 |
2007109А [32009] | 45 | 75 | 20 | 0.333 |
2007110А [32010] | 50 | 80 | 20 | 0.384 |
2007112А [32012] | 60 | 95 | 23 | 0.602 |
2007113А [32013] | 65 | 100 | 23 | 0.62 |
2007114А [32014] | 70 | 110 | 25 | 0.834 |
2007118А [32018] | 90 | 140 | 32 | 1.67 |
2007119А [32019] | 95 | 145 | 32 | 1.75 |
2007120А [32020] | 100 | 150 | 32 | 1.86 |
2007122А [32022] | 110 | 170 | 38 | 2.9 |
2007122М [32022] | 110 | 170 | 38 | 2.9 |
2007124А [32024] | 120 | 180 | 38 | 3.22 |
2007128А [32028] | 140 | 210 | 45 | 5.046 |
2007132М [32032] | 160 | 240 | 51 | 7.91 |
2007140М [32040] | 200 | 310 | 70 | 18.5 |
2007144М [32044] | 220 | 340 | 76 | 22.1 |
2007148 [32048] | 240 | 360 | 76 | 26 |
2007152 [32052] | 260 | 400 | 87 | 36.5 |
2007156 [32056] | 280 | 420 | 87 | 38.9 |
2007164 [32064] | 320 | 480 | 100 | 59.1 |
РОЛИКОВЫЕ КОНИЧЕСКИЕ ОДНОРЯДНЫЕ СЕРИИ 273ХХ | ||||
27310А [31310] | 50 | 110 | 29 | 1.23 |
27312А [31312] | 60 | 130 | 33 | 1.89 |
27313А [31313] | 65 | 140 | 36 | 2.4 |
27315А [31315] | 75 | 160 | 40 | 3.45 |
РОЛИКОВЫЕ КОНИЧЕСКИЕ ОДНОРЯДНЫЕ СЕРИИ 276ХХ | ||||
27613А [32313] | 65 | 140 | 51 | 3.64 |
27616А [32316] | 80 | 170 | 61 | 6.5 |
РОЛИКОВЫЕ КОНИЧЕСКИЕ ОДНОРЯДНЫЕ СЕРИИ 279ХХ | ||||
27911А [—–] | 53 | 123.825 | 39 | 2.23 |
РОЛИКОВЫЕ КОНИЧЕСКИЕ ОДНОРЯДНЫЕ СЕРИИ 30777ХХ | ||||
3077776М (332889) | 380 | 620 | 388 | 448 |
РОЛИКОВЫЕ КОНИЧЕСКИЕ ОДНОРЯДНЫЕ СЕРИИ 72ХХ | ||||
7202А [30202] | 15 | 35 | 11 | 0.055 |
7203А [30203] | 17 | 40 | 13 | 0.075 |
7204А [30204] | 20 | 47 | 15 | 0.127 |
7205А [30205] | 25 | 52 | 16 | 0.156 |
7206А [30206] | 30 | 62 | 17 | 0.157 |
7207А [30207] | 35 | 72 | 18 | 0.326 |
7208А [30208] | 40 | 80 | 19 | 0.446 |
7209А [30209] | 45 | 85 | 20 | 0.491 |
7210А [30210] | 50 | 90 | 21 | 0.539 |
7211А [30211] | 55 | 100 | 22 | 0.709 |
7212А [30212] | 60 | 110 | 23 | 0.931 |
7213А [30213] | 65 | 120 | 24 | 1.13 |
7214А [30214] | 70 | 125 | 26 | 1.25 |
7215А [30215] | 75 | 130 | 27 | 1.42 |
7216А [30216] | 80 | 140 | 28 | 1.65 |
7217А [30217] | 85 | 150 | 30 | 2.113 |
7218А [30218] | 90 | 160 | 32 | 2.52 |
7219А [30219] | 95 | 170 | 34 | 3.1 |
7220А [30220] | 100 | 180 | 37 | 3.63 |
7221А [30221] | 105 | 190 | 40 | 5 |
7222А [30222] | 110 | 200 | 38 | 5.5 |
7224А [30224] | 120 | 215 | 43 | 6.28 |
РОЛИКОВЫЕ КОНИЧЕСКИЕ ОДНОРЯДНЫЕ СЕРИИ 73ХХ | ||||
7304А [30304] | 20 | 52 | 16.25 | 0.165 |
7305А [30305] | 25 | 62 | 18 | 0.273 |
7306А [30306) | 30 | 72 | 20 | 0.443 |
7307А [30307] | 35 | 80 | 22.75 | 0.496 |
7308А [30308] | 40 | 90 | 25 | 0.76 |
7309А [30309] | 45 | 100 | 27 | 1.01 |
7310А [30310] | 50 | 110 | 29 | 1.277 |
7311А [30311] | 55 | 120 | 31 | 1.56 |
7312А [30312] | 60 | 130 | 33 | 1.95 |
7313А [30313] | 65 | 140 | 36 | 2.48 |
7314А [30314] | 70 | 150 | 38 | 3.09 |
7315А [30315] | 75 | 160 | 40 | 3.63 |
7316А [30316] | 80 | 170 | 39 | 4.25 |
7317А [30317] | 85 | 180 | 44 | 4.87 |
7318А [30318] | 90 | 190 | 46 | 5.84 |
7319А [30319] | 95 | 200 | 49 | 6.73 |
7352М [30352] | 260 | 540 | 109 | 108.8 |
РОЛИКОВЫЕ КОНИЧЕСКИЕ ОДНОРЯДНЫЕ СЕРИИ 75ХХ | ||||
7504А [32204] | 25 | 47 | 19 | 0.15 |
7505А [32205] | 25 | 52 | 19 | 0.18 |
7506А [32206] | 30 | 62 | 21 | 0.29 |
7507А [32207] | 35 | 72 | 24 | 0.449 |
7508А [32208] | 40 | 80 | 24 | 0.576 |
7509А [32209] | 45 | 85 | 24 | 0.591 |
7510А [32210] | 50 | 90 | 24 | 0.641 |
7511А [32211] | 55 | 100 | 26 | 0.865 |
7512А [32212] | 60 | 110 | 29 | 1.18 |
7513А [32213] | 65 | 120 | 32 | 1.574 |
7514А [32214] | 70 | 125 | 33 | 1.642 |
7515А [32215] | 75 | 130 | 33 | 1.76 |
7516А [32216] | 80 | 140 | 35 | 2.11 |
7517А [32217] | 85 | 150 | 38 | 2.657 |
7518А [32218] | 90 | 160 | 42 | 3.54 |
7519А [32219] | 95 | 170 | 45 | 4.31 |
7520А [32220] | 100 | 180 | 49 | 5.1 |
7522А [32222] | 110 | 200 | 56 | 7.34 |
7524А [32224] | 120 | 215 | 61 | 9.4 |
7526А [32226] | 130 | 230 | 67 | 11.8 |
7528А [32228] | 140 | 250 | 71 | 14.87 |
7536А [32236] | 180 | 320 | 92 | 27.6 |
РОЛИКОВЫЕ КОНИЧЕСКИЕ ОДНОРЯДНЫЕ СЕРИИ 76ХХ | ||||
7604А [32304] | 20 | 52 | 22 | 0.236 |
7605А [32305] | 25 | 62 | 25 | 0.383 |
7606А [32306] | 30 | 72 | 29 | 0.56 |
7607А [32307] | 35 | 80 | 32 | 0.758 |
7608А [32308] | 40 | 90 | 35 | 1.07 |
7609А [32309] | 45 | 100 | 38 | 1.41 |
7610А [32310] | 50 | 110 | 42 | 1.91 |
7611А [32311] | 55 | 120 | 45 | 2.43 |
7612А [32312] | 60 | 130 | 48 | 2.98 |
7613А [32313] | 65 | 140 | 51 | 3.64 |
7614А [32314] | 70 | 150 | 54 | 4.29 |
7615А [32315] | 75 | 160 | 58 | 5.345 |
7616А [32316] | 80 | 170 | 61 | 6.517 |
7617А [32317] | 85 | 180 | 63 | 7.57 |
7618А [32318] | 90 | 190 | 67 | 8.84 |
7620А [32320] | 100 | 215 | 77 | 13.1 |
7622А [32322] | 110 | 240 | 84 | 17.7 |
7624А [32324] | 120 | 260 | 90 | 22.4 |
7634М [32334] | 170 | 360 | 127 | 58 |
РОЛИКОВЫЕ КОНИЧЕСКИЕ ОДНОРЯДНЫЕ СЕРИИ 771ХХ | ||||
77196 М [381096] | 480 | 700 | 418 | 544 |
РОЛИКОВЫЕ КОНИЧЕСКИЕ ОДНОРЯДНЫЕ СЕРИИ 77ХХ | ||||
7718А [32318] | 90 | 160 | 49 | 4.112 |
РОЛИКОВЫЕ КОНИЧЕСКИЕ ОДНОРЯДНЫЕ СЕРИИ 78ХХ | ||||
7815А [—–] | 75 | 135 | 44 | 2.72 |
РОЛИКОВЫЕ КОНИЧЕСКИЕ ОДНОРЯДНЫЕ СЕРИИ 79ХХ | ||||
7909А [—–] | 47 | 100 | 42 | 1.56 |
РОЛИКОВЫЕ КОНИЧЕСКИЕ С ДРОБНЫМ ОБОЗНАЧЕНИЕМ РАЗНЫХ СЕРИЙ | ||||
10079/500М [—–] | 500 | 670 | 85 | 77 |
10079/530М [—–] | 530 | 710 | 87 | 90 |
10079/560М [—–] | 560 | 750 | 91 | 105 |
10079/630М [—–] | 630 | 850 | 107 | 164 |
10079/710М [332890] | 710 | 950 | 114 | 210 |
10079/710М(6) [332890] | 710 | 950 | 113 | 210 |
10777/560 М [328509] | 560 | 920 | 620 | 1602 |
10979/530М [—–] | 530 | 710 | 136 | 193 |
10979/630М [—–] | 630 | 850 | 182 | 361 |
10979/710М [—–] | 710 | 950 | 175 | 445 |
10979/950М [—–] | 950 | 1250 | 220 | 919 |
1681/670 Х [—–] | 670 | 800 | 105 | 101 |
1688/770 Х [—–] | 770 | 900 | 90 | 92.5 |
327/600 [—–] | 600 | 830 | 150 | 254 |
77/520М [—–] | 520 | 740 | 95 | 118 |
777/650М [—–] | 650 | 1030 | 560 | 1837.4 |
777/750М [—–] | 750 | 1130 | 690 | 2480 |
777/750ХМ [—–] | 750 | 1130 | 690 | 2480 |
971/600М [—–] | 600 | 870 | 270 | 497 |
РОЛИКОВЫЕ КОНИЧЕСКИЕ ЧЕТЫРЕХРЯДНЫЕ СЕРИИ 10779ХХ | ||||
1077988М [——] | 440 | 600 | 319 | 253 |
РОЛИКОВЫЕ КОНИЧЕСКИЕ ЧЕТЫРЕХРЯДНЫЕ СЕРИИ 7777ХХ | ||||
777752ХМ [—–] | 260 | 440 | 302 | 164 |
РОЛИКОВЫЕ КОНИЧЕСКИЕ ЧЕТЫРЕХРЯДНЫЕ СЕРИИ 777ХХ | ||||
77788М [—–] | 440 | 650 | 353 | 403 |
РОЛИКОВЫЕ КОНИЧЕСКИЕ ЧЕТЫРЕХРЯДНЫЕ СЕРИИ 778ХХ | ||||
77880ХМ [—–] | 400 | 540 | 280 | 177 |




