Подшипники шариковые радиальные сферические двухрядные
ООО «ЭКО-РТИ-Холдинг» предлагает в Москве Подшипники шариковые радиальные сферические двухрядные по антикризисным ценам. Доставка по России, качественные товары. Звоните: (49654) 9-25-25
Подшипники шариковые радиальные сферические двухрядные предназначены для восприятия радиальных нагрузок, но могут воспринимать одновременно и двустороннюю осевую нагрузку (до 20% неиспользованной допустимой радиальной). Дорожка качения на наружном кольце обработана по сфере. Такая ее форма обеспечивает нормальную работу подшипника даже при значительном (порядка 2-3°).
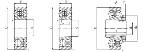
Основные конструктивные исполнения на примере подшипника 1205:
- 1205 – обычный подшипник;
- 11205 – подшипник с коническим внутренним отверстием и закрепительной втулкой;
- 111205 – подшипник с коническим внутренним отверстием.
Подшипники типа 11000 с коническим отверстием комплектуются закрепительной втулкой с гайкой и предназначены для установки на цилиндрических шейках валов. Затягивание гайки на закрепительной втулке позволяет регулировать радиальный зазор подшипника.
Подшипники типа 111000 имеют коническое отверстие для установки на конусную шейку вала и допускают частичное регулирование радиального зазора осевым перемещением внутреннего кольца относительно конической шейки. Подшипники типа 11000 с коническим отверстием, устанавливаемые на закрепительной втулке, используют на гладких (без заплечиков) валах трансмиссиионного типа. Наружная поверхность закрепительной втулки соответствует конической поверхности отверстия подшипника (конусность 1:12). Втулка имеет продольный разрез и в свободном состоянии диаметр ее отверстия несколько больше диаметра посадочного места на валу. Закрепительная втулка снабжена гайкой и шайбой, предотвращающей самоотвинчивание гайки.
Сепараторы у большинства двухрядных сферических подшипников штампованные. Подшипники крупных размеров изготовляют с массивными латунными сепараторами.
Допустимый угол перекоса, образовавшийся в результате прогиба вала под действием нагрузки или вследствие технологических неточностей обработки и монтажа, ограничивается условием сохранения контакта всех шариков обоих рядов с рабочей поверхностью дорожки качения наружного кольца.
Применяются на многоопорных валах трансмиссионного типа; двухопорных валах, подверженных значительным прогибам под действием внешних нагрузок; в узлах с технологически не обеспечиваемой строгой соосностью посадочных мест (при растачивании отверстий в корпусах не за один проход, при установке подшипников в отдельно стоящих корпусах и т.д.).
Наименование | d, мм | D, мм | h, мм | Вес, кг |
ШАРИКОВЫЕ СФЕРИЧЕСКИЕ ДВУХРЯДНЫЕ СЕРИИ 112ХХ | ||||
11205 [1206К+Н206] | 25 | 62 | 16 | 0.348 |
11206 [1207К+Н207] | 30 | 72 | 29 | 0.461 |
11207 [1208К+Н208] | 35 | 80 | 18 | 0.591 |
11208 [1209К+Н209] | 40 | 85 | 19 | 0.689 |
11209 [1210К+Н210] | 45 | 90 | 20 | 0.769 |
11210 [1211К+Н211] | 50 | 100 | 21 | 1.044 |
11212 [1213К+Н213] | 60 | 120 | 23 | 1.6 |
11213 [1215К+Н215] | 65 | 130 | 25 | 2.1 |
11214 [1216К+Н216] | 70 | 140 | 26 | 2.55 |
ШАРИКОВЫЕ СФЕРИЧЕСКИЕ ДВУХРЯДНЫЕ СЕРИИ 113ХХ | ||||
11307 [1308К+Н308] | 35 | 90 | 23 | 0.889 |
11308 [1309К+Н309] | 40 | 100 | 25 | 1.21 |
11309 [1310К+Н310] | 45 | 110 | 27 | 1.48 |
11310 [1311К+Н311] | 50 | 120 | 29 | 1.894 |
11311 [1312К+Н312] | 55 | 130 | 31 | 2 |
ШАРИКОВЫЕ СФЕРИЧЕСКИЕ ДВУХРЯДНЫЕ СЕРИИ 12ХХ | ||||
1201 [1201] | 12 | 32 | 10 | 0.042 |
1204 [1204] | 20 | 47 | 14 | 0.119 |
1205 [1205] | 25 | 52 | 15 | 0.144 |
1206 [1206] | 30 | 62 | 16 | 0.225 |
1207 [1207] | 35 | 72 | 17 | 0.318 |
1208 [1208] | 40 | 80 | 18 | 0.412 |
1209 [1209] | 45 | 85 | 19 | 0.488 |
1210 [1210] | 50 | 90 | 20 | 0.543 |
1211 [1211] | 55 | 100 | 21 | 0.724 |
1212 [1212] | 60 | 110 | 22 | 0.894 |
1214 [1214] | 70 | 125 | 24 | 1.28 |
1215 [1215] | 75 | 130 | 25 | 1.4 |
ШАРИКОВЫЕ СФЕРИЧЕСКИЕ ДВУХРЯДНЫЕ СЕРИИ 13ХХ | ||||
1304 [1304] | 20 | 52 | 15 | 0.164 |
1305 [1305] | 25 | 62 | 17 | 0.258 |
1306 [1306] | 30 | 72 | 19 | 0.388 |
1307 [1307] | 35 | 80 | 21 | 0.538 |
1308 [1308] | 40 | 90 | 23 | 0.705 |
1309 [1309] | 45 | 100 | 25 | 0.959 |
1310 [1310] | 50 | 110 | 27 | 1.19 |
1311 [1311] | 55 | 120 | 29 | 1.57 |
1312 [1312] | 60 | 130 | 31 | 1.81 |
1313 [1313] | 65 | 140 | 33 | 2.38 |
1314 [1314] | 70 | 150 | 35 | 2.98 |
1320 [1320] | 100 | 215 | 47 | 8.44 |
ШАРИКОВЫЕ СФЕРИЧЕСКИЕ ДВУХРЯДНЫЕ СЕРИИ 15ХХ | ||||
1507 [2207] | 35 | 72 | 23 | 0.408 |
1509 [2209] | 45 | 85 | 23 | 0.565 |
1510 [2210] | 50 | 90 | 23 | 0.61 |
1514 [2214] | 70 | 125 | 31 | 1.52 |
ШАРИКОВЫЕ СФЕРИЧЕСКИЕ ДВУХРЯДНЫЕ СЕРИИ 16ХХ | ||||
1604 [2304] | 20 | 52 | 21 | 0.21 |
1605 [2305] | 25 | 62 | 24 | 0.353 |
1606 [2306] | 30 | 72 | 27 | 0.483 |
1607 [2307] | 35 | 80 | 31 | 0.685 |
1607Л [2307] | 35 | 80 | 31 | 0.685 |
1608 [2308] | 40 | 90 | 33 | 0.917 |
1609 [2309] | 45 | 100 | 36 | 1.24 |
1610 [2310] | 50 | 110 | 40 | 1.65 |
1611 [2311] | 55 | 120 | 43 | 2.09 |
1612 [2312] | 60 | 130 | 46 | 2.6 |
1614 [2314] | 70 | 150 | 51 | 3.92 |
1616 [2316] | 80 | 170 | 58 | 5.95 |
1616Л [2316] | 80 | 170 | 58 | 5.95 |

